5000D提供高達16位的垂直分辨率和最大200MHZ帶寬及1GS/s采樣率。在輸入通道使用多個高分辨率ADC通過不同的時間間隔和串行組合實現硬件的高分辨率可調,可實現1GS/S@8位,62.5MS/s@16位以及在這之間的其他多種靈活組合。
靈活的分辨率USB示波器
今天的電子設計采用多種信號類型:模擬,數字,串行(高速和低速),并行,音頻,視頻,配電等。所有這些都需要進行調試,測量和驗證,以確保被測設備在規范內正常運行。
這些示波器提供2或4個模擬通道和一個內置功能/任意波形發生器。MSO模型增加了16個數字頻道。關鍵性能指標:
·FlexRes 8至16位硬件分辨率
·高達200 MHz的模擬帶寬
·1 GS / s采樣,8位分辨率
·62.5 MS / s采樣,16位分辨率
·最多512 MS捕獲內存
·MSO型號上有16個數字通道
·每秒130 000個波形
·內置任意波形發生器
·18個串行解碼協議作為標準
·高達200 MHz的頻譜分析儀
為了處理各種信號類型,PicoScope 5000D FlexRes硬件在輸入通道采用多個高分辨率ADC,采用不同的時間交錯和并行組合,優化采樣速率,8位為1 GS / s,分辨率為16位在62.5 MS / s或其他組合之間 - 您可以根據每次測量的要求選擇最合適的硬件分辨率。
提供2和4通道型號,均采用SuperSpeed USB 3.0連接,可快速保存波形,同時保持與舊USB標準的兼容性。該PicoSDK ?軟件開發工具包支持速率高達125 MS / s的連續數據流的主機。該產品體積小,重量輕,采用低功耗無風扇設計,可靜音運行。
PicoScope 5000D系列由免費和定期更新的PicoScope 6軟件提供支持,為許多應用提供理想,經濟高效的軟件包,包括設計,研究,測試,教育,服務和維修。
什么是FlexRes?
Pico FlexRes靈活的分辨率示波器允許您重新配置示波器硬件,以提高采樣率或分辨率。這意味著您可以將硬件重新配置為用于查看數字信號的快速(1 GS / s)8位示波器,或用于音頻工作和其他模擬應用的高分辨率16位示波器。無論您是捕獲和解碼快速數字信號還是尋找敏感模擬信號中的失真。。

深度捕獲內存
PicoScope 5000D系列示波器具有波形捕獲存儲器,范圍從128到5.11億個樣本 - 比傳統的臺式示波器大很多倍。深存儲器能夠以最大采樣速度捕獲長持續時間波形。實際上,PicoScope 5000D系列可以捕獲超過500 ms的波形,分辨率為1 ns。相比之下,具有10兆采樣存儲器的示波器捕獲的相同500 ms波形的分辨率僅為50 ns。
深存儲器在其他方面也很有用:PicoScope允許您將捕獲存儲器劃分為多個段,最多可達10 000個。您可以設置觸發條件以在每個段中存儲單獨的捕獲,只需少量捕獲之間的1μs死區時間。獲取數據后,您可以逐個瀏覽內存,直到找到要查找的事件。包含強大的工具,允許您管理和檢查所有這些數據。除了屏蔽限制測試和色彩持久模式等功能外,PicoScope 6軟件還可以讓您將波形放大幾百萬倍。“縮放概覽”窗口允許您輕松控制縮放區域的大小和位置。
其他工具,如DeepMeasure TM,串行解碼和硬件加速與深存儲器配合使用。

混合信號模型
PicoScope 5000D MSO型號為2個或4個模擬通道添加了16個數字通道,使您能夠準確地對模擬和數字通道進行時間關聯。數字通道可以分組并顯示為總線,每個總線值以十六進制,二進制或十進制或水平顯示(用于DAC測試)。您可以跨模擬和數字通道設置高級觸發器。數字通道也可用作串行解碼器的源,提供多達20個通道的數據 - 例如,同時解碼多個SPI,I2C,CAN總線,LIN總線和FlexRay信號。

高級數字觸發
PicoScope 5000D系列提供高級觸發器,包括脈沖寬度,欠幅脈沖,窗口和壓差。

MSO型號上可用的數字觸發器允許您在16個數字輸入中的任何一個或全部與用戶定義的模式匹配時觸發示波器。您可以單獨為每個通道指定條件,也可以使用十六進制或二進制值一次為所有通道設置模式。您還可以使用邏輯觸發器將數字觸發器與任何模擬輸入上的邊沿或窗口觸發器組合在一起,例如觸發時鐘并行總線中的數據值。

任意波形和函數發生器
所有PicoScope 5000D單元都內置14位200 MS / s任意波形發生器(AWG)。您可以使用內置編輯器創建和調整任意波形,從現有示波器軌跡導入它們,或從電子表格加載波形。

AWG還可以作為函數發生器,具有一系列標準輸出信號,包括正弦,方波,三角波,直流電平,白噪聲和PRBS。除了設置電平,偏移和頻率的基本控制,更高級的控制允許您掃描一系列頻率。
結合頻譜峰值保持選項,這是測試放大器和濾波器響應的強大工具。觸發工具允許您在滿足各種條件時輸出波形的一個或多個周期,例如示波器觸發或模板限制測試失敗。

軟件開發套件 - 編寫您自己的應用程序
大軟件開發工具包(SDK)允許您編寫自己的軟件,包括Microsoft Windows,Apple Mac(macOS)和Linux(包括Raspberry Pi和BeagleBone)的驅動程序。
示例代碼顯示了如何與第三方軟件包(如Microsoft Excel,NI LabVIEW和MathWorks MATLAB)進行交互。

高帶寬,高采樣率
盡管尺寸緊湊且成本低,但性能并不妥協,帶寬高達200 MHz。該帶寬與1 GS / s的實時采樣率相匹配,可以詳細顯示高頻。PicoScope 5000系列示波器的實時采樣率是輸入帶寬的五倍,可以很好地捕獲高頻信號細節。對于重復信號,通過使用等效時間采樣(ETS)模式,可以將最大有效采樣率提升至10 GS / s。

串行總線解碼和分析
憑借其深存儲器,PicoScope 5000D系列可解碼1-Wire,ARINC 429,CAN和CAN-FD,DCC,DMX512,以太網10Base-T和100Base-TX,FlexRay,I2C,I2S,LIN,PS / 2,MODBUS ,SENT,SPI,UART(RS-232 / RS-422 / RS-485)和USB 1.1協議數據作為標準配置。

解碼可幫助您了解設計中發生的情況,以識別編程和時序錯誤,并檢查其他信號完整性問題。
時序分析工具有助于顯示每個設計元素的性能,識別需要改進的設計部分,以優化整體系統性能。
圖形格式以時序圖格式顯示解碼數據(十六進制,二進制,十進制或ASCII),在公共時間軸上的波形下方,錯誤幀標記為紅色。您可以放大這些幀以調查噪聲或失真,并為每個數據包字段分配不同的顏色,因此數據易于讀取。

表格格式顯示了已解碼幀的列表,包括數據和所有標志和標識符。您可以設置過濾條件以僅顯示您感興趣的幀或搜索具有指定屬性的幀。統計選項顯示有關物理層的更多詳細信息,例如幀時間和電壓電平。PicoScope還可以導入電子表格,將數據解碼為用戶定義的文本字符串。

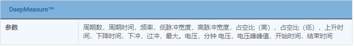
DeepMeasure
一個波形,數百萬次測量 波形脈沖和周期的測量是驗證電氣和電子設備性能的關鍵。 DeepMeasure通過每次觸發采集,在多達一百萬個波形周期內自動測量重要波形參數。結果可以很容易地分類,分析并與波形顯示相關聯。

波形緩沖區和導航器
曾經在波形上發現了一個小故障,但是當你停止它的范圍時它已經消失了?使用PicoScope,您不再需要擔心丟失毛刺或其他瞬態事件。PicoScope可將最后一萬個示波器或頻譜波形存儲在其圓形波形緩沖器中。
緩沖導航器提供了一種有效的導航和搜索波形的方法,有效地讓您回頭時間。掩模限制測試等工具也可用于掃描緩沖區中的每個波形,以查找掩碼違規。

面罩極限測試
掩模限制測試允許您將實時信號與已知良好信號進行比較,并且專為生產和調試環境而設計。

只需捕獲已知的良好信號,在其周圍繪制一個遮罩,然后連接待測系統。PicoScope將檢查掩碼違規并執行通過/失敗測試,??捕獲間歇性毛刺,并可在“測量”窗口中顯示故障計數和其他統計信息。

掩模限制測試允許您將實時信號與已知良好信號進行比較,并且專為生產和調試環境而設計。只需捕獲已知的良好信號,在其周圍繪制一個遮罩,然后連接待測系統。PicoScope將檢查掩碼違規并執行通過/失敗測試,??捕獲間歇性毛刺,并可在“測量”窗口中顯示故障計數和其他統計信息。

高級數字觸發
大多數數字示波器仍然使用基于比較器的模擬觸發架構。這會導致無法始終校準的時間和幅度誤差,并且通常會限制高帶寬下的觸發靈敏度。
1991年,Pico使用實際的數字化數據來使用全數字觸發。這種技術可以減少觸發誤差,并允許我們的示波器觸發最小的信號,即使在全帶寬下也是如此。可以高精度和高分辨率設置觸發電平和遲滯。
數字觸發提供的低于1μs的重新延遲以及分段存儲器允許在10 ms突發中捕獲多達10 000個波形。

PicoScope 5000系列提供高級觸發器,包括脈沖寬度,欠幅脈沖,窗口,邏輯和壓差。

在PicoScope 5000D MSO模型上,數字通道可用于與布爾運算符形成邏輯觸發器。

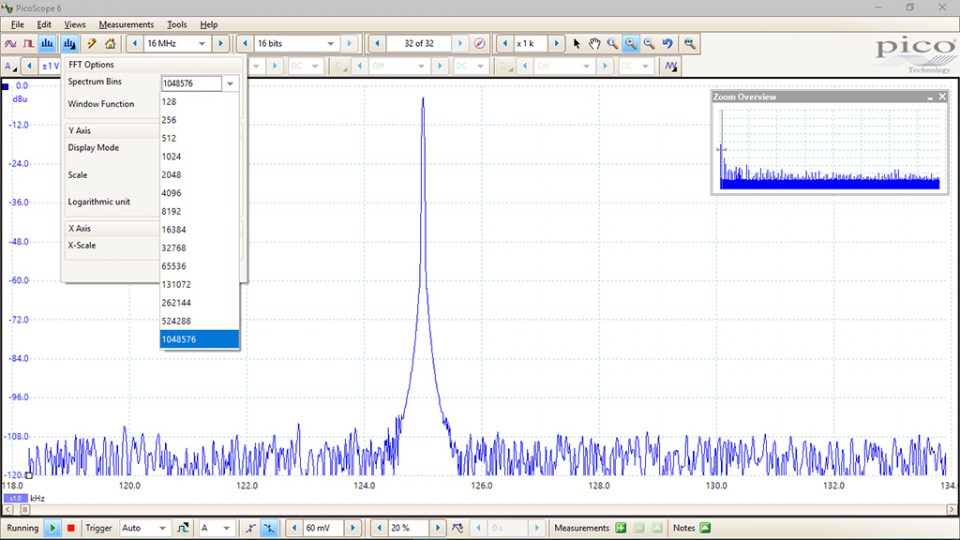
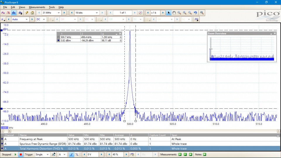
FFT頻譜分析儀
頻譜視圖根據頻率繪制幅度,非常適合查找信號中的噪聲,串擾或失真。PicoScope中的頻譜分析儀采用快速傅立葉變換(FFT)類型,與傳統的掃描頻譜分析儀不同,它可以顯示單個非重復波形的頻譜。
全范圍的設置使您可以控制頻譜帶(FFT頻段),窗口類型,縮放(包括對數/對數)和顯示模式(瞬時,平均或峰值保持)的數量。

您可以顯示多個頻譜視圖以及相同數據的示波器視圖。可以在顯示器上添加一套全面的自動頻域測量,包括THD,THD + N,SNR,SINAD和IMD。掩模極限測試可應用于光譜,您甚至可以一起使用AWG和光譜模式執行掃描標量網絡分析。

高清顯示
PicoScope軟件將幾乎所有顯示區域專用于波形,以便您可以一次查看最大數據量。與傳統的臺式示波器相比,可視區域更大,分辨率更高。
通過如此大的顯示區域,您還可以創建可自定義的分屏顯示,并同時查看同一信號的多個通道或不同視圖。如示例所示,該軟件甚至可以同時顯示多個示波器和頻譜分析儀跡線。每個波形均可使用單獨的縮放,平移和濾波器設置,以實現最大的靈活性
PicoScope軟件可通過鼠標,觸摸屏或鍵盤快捷鍵進行控制。

數字持久模式
余輝模式在同一視圖上疊加多個波形,更頻繁的數據或更新的波形強調更深的飽和度或更熱的顏色。使用此模式查看復雜或變化的波形,即使后續波形繪制在頂部,您也可以看到毛刺。

數學通道和過濾器
在許多示波器上,波形數學只是意味著簡單的計算,如A + B. 使用PicoScope,它意味著更多。
使用PicoScope 6,您可以選擇簡單的函數,例如加法和反演,或打開公式編輯器來創建涉及濾波器(低通,高通,帶通和帶阻濾波器),三角函數,指數,對數,統計,積分和導數的復雜函數。
波形數學還允許您繪制實時信號以及歷史峰值,平均值或濾波波形。
您還可以使用數學通道顯示復雜信號中的新細節。例如,您可以繪制信號隨時間變化的占空比或頻率。

定制探針
軟件中包含標準Pico提供的示波器探頭和電流鉗的定義。

自定義探頭功能允許您校正連接到示波器的探頭,傳感器或傳感器中的增益,衰減,偏移和非線性。例如,它可以縮放當前探頭的輸出,以便正確顯示安培。它還可以使用表查找功能轉換非線性溫度傳感器的輸出。

您可以保存用戶創建的探針以供以后使用。

警報
您可以對PicoScope進行編程,以便在檢測到掩碼限制失敗,觸發器和緩沖區已滿等事件時執行操作。。
PicoScope的操作包括保存文件,播放聲音,執行程序或觸發任意波形發生器。
報警與掩模極限測試相結合,有助于創建功能強大且省時的波形監控工具。捕獲已知良好信號,在其周圍生成掩碼,然后使用警報自動保存不符合您規格的任何波形(包括時間戳)。

強大的工具提供了無限的選擇
您的PicoScope提供了許多強大的工具來幫助您獲取和分析波形。雖然這些工具可以單獨使用,但PicoScope的真正功能在于它們被設計為一起工作的方式。
例如,快速觸發模式允許您在幾毫秒內收集10,000個波形,并且它們之間的死區時間最短。手動搜索這些波形將非常耗時,因此只需選擇您滿意的波形并讓掩模工具為您掃描。完成后,測量結果將告訴您有多少失敗,緩沖導航器允許您隱藏好的波形并只顯示有問題的波形。該視頻向您展示了如何。
也許您想將更改的工作周期繪制為圖形?如何在滿足觸發條件時從AWG輸出波形并自動將波形保存到磁盤?憑借PicoScope的強大功能,可能性幾乎無窮無盡。


















加速度計
我們提供連接示波器的單軸和三軸加速度計,用于測量噪聲和振動。
