介紹 這個實驗使用了關鍵階段5Charles Wenzel 在互聯網上發布的一個電路,他非常友好地允許它在這里復制。該電路的構建并不復雜,但需要一些構建高阻抗放大器的經驗。 實驗顯示由于各種影響導致的電荷變化,包括接近陣雨,雷暴以及帶電云通過頭頂的影響。 它還會顯示煙霧顆粒上的電荷,并且已經觀察到檢測到附近工作的柴油拖拉機的排氣煙霧。這個實驗不適合課堂環境 天氣是不可預測的,但可能會繼續運行 延長期間,以及記錄中可以看到的事件的記錄。 ? 他設備留在筆者的Radio Shack的永久運行,貼在操作臺一米,如果 觀察到的有趣的條件都在制定之外,或者如果電表表現“異常”,然后將數據記錄器連接,注意事項制作,并記錄跟蹤。


目的 該實驗的主要目的是監測地球的磁場,但次要目標是利用設備數據表的簡單方法,并計算元件值。


所需設備
ADC-16數據記錄器 云電荷檢測器電路,構建和測試 合適的天線


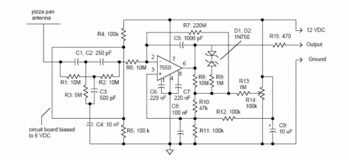
實驗設置 首先,應該構建和測試如圖3所示的云電荷檢測器電路。在英國,可以從Copper Islands獲得用于形成連接的合適銅墊。 可能需要進行三次小的修改,以便為ADC-16數據記錄器提供額外的輸出,并使電路適應在此模式下使用它。他們是:


輸出衰減器 這是必需的,并通過從輸出到地的電阻鏈降低云電荷檢測器的輸出電壓,該電阻鏈由兩個電阻組成,用作分壓器,以確保ADC-16的電壓不超過+2.5 V的限值。 電阻器鏈由一個470kΩ電阻器組成,該電阻器連接到云電荷表的輸出端,串聯一個100kΩ電阻器接地。ADC-16的一個通道連接到電阻和地的結點。根據建議調整電表的此點電壓約為1伏,但根據大氣條件和天線連接,電壓會略有變化。


靈敏度 此修改是可選的,取決于當地條件。它包括修改反饋環路中電容器C5(1000 pF)的值。這可以減少以增加儀器的靈敏度。在英國,56 pF的值似乎適用于當前的條件,但在雷暴更頻繁或更嚴重的地區可能需要更高。


輸入過濾器 可能需要進行第三次修改以“重新調諧”前端的濾波器以拒絕50 Hz而不是設計用于的60 Hz美國電源。 參考電路圖,C1和C2由330 pF電容代替,C3代替680 pF電容(優化值:660 pF)。電阻R1和R2為10MΩ(優化值:9.64MΩ),R3為4.7MΩ(優化值:4.32MΩ)。使用非最佳值會產生48 Hz的陷波頻率,如果需要,可以通過修整元件值來優化。 計算值的公式為: Fc = 1 /2πRC,其中Fc是赫茲,R是歐姆,C是法拉。


指標單位 進一步的修改是將窗口比較器連接到驅動一對LED的設備的輸出。 LM393可以使用應用筆記中所示的電路進行配置,并且能夠驅動一對高效LED,以指示條件比平時更嘈雜。 LED沒有提供任何有意義的條件指示,但它們往往會引起人們注意活動的事實,并且當尖峰持續時間太短以驅動儀表時,它也會響應系統上的尖峰而發光針。 我把LED安裝在收音機棚的視線水平處,以引起我注意這樣一個事實,即天氣狀況可能會讓我將敏感設備從主電源和天線上斷開。壓電蜂鳴器也可以連接到設備上以提供可聽見的“唧唧聲”,但是應該配備一個開關來靜音。


天線 設備的靈敏度還取決于用于實驗的天線。該文章建議使用鋁箔“餡餅盤”,但在實踐中,發現這有點不敏感,所以20英尺長的電線用方形螺旋膠帶粘在窗戶內部,用酒精清潔。 用酒精清潔是必不可少的,因為它可以去除隨時間累積的略微導電的表面膜,并降低設備的靈敏度。 在小蜘蛛將天線固定到天線上時也遇到了問題,并且在潮濕條件下,腹板降低了靈敏度,可能是通過提供到當地地面的略微導電的路徑。


外置天線 使用外部天線是完全可行的,但是,即使沒有明顯的電氣活動,也應該極其謹慎,因為可能會產生相當大的電壓。如果采用這種方法,可以將氖燈從天線連接到地,以通過將天線傳導到地來降低天線上的電壓,并指示存在潛在的危險電壓。 通過插座連接天線將允許進行各種配置的實驗。它還允許在暴風雨條件下斷開天線以保護電荷檢測設備。該設備沒有強大的輸入保護,可能超出設備的限制并將其銷毀。 在任何情況下,設備在不使用時應始終與ADC-16斷開連接,以避免對ADC-16或PC主板施加大電壓并造成永久性損壞的風險。


功率 該設備應由優質的穩定電源供電,但如果要在“現場”使用,或遠離主電源,則可以采用電池驅動。如果電源電壓低于建議的標稱值12V,則可能需要重新調整偏移量。

進行實驗 該器件設計為自零,具有長時間常數,因此無法進行校準以進行絕對測量,但會指示短期事件,例如與遠程雷擊相關的變化,或作為帶電云發生的變化通過頭頂。 設置云電荷檢測器,并連接到ADC-16,如圖1所示,并根據需要設置參數。在安靜的條件下,輸出可以每秒采樣一次,但是當條件更加活躍時,可以將采樣率設置為更頻繁地采樣。可以選擇的最短樣本將是所需精度的函數。 在使用中,將注意到儀表運動充當低通濾波器,并且隱藏觀察到的尖峰的大小,但是短期事件傾向于具有相對緩慢的恢復,因此可以觀察到。 可以觀察到四種趨勢: 1.短途旅行的規模。 在安靜的條件下,讀數不會變化很大,并且以相當隨機的方式變化。在使用中,此處設置的探測器以750 mV為中心,在一個安靜的夏日午后,顯示的變化高達±50 mV。 2.游覽的極性。 探測器是一個逆變器,所以正偏移實際上表示負電荷,通常即將到來的淋浴將驅動儀表向左移動,并且如果觀察到,則在圖表上顯示較小的值,降雨將傾向于驅動設備另一個辦法。閃電罷工往往表現出積極和消極的偏離。 3.事件的形狀,即攻擊和衰減時間。 攻擊階段由事件驅動,但衰減階段是探測器自定心功能的函數,除非事件以檢測到閃電的方式反向驅動探測器。 4.收費的一般趨勢 在大雨或冰雹期間,儀表經常顯示在淋浴期間持續的穩定增加,僅在相當長的時間內回落到靜止位置。如果天線連接到窗戶并且窗玻璃的表面是濕的,則充電可能會保持一段時間,因為窗戶上的雨水將被充電。可以在較小程度上觀察到在露天的線天線上的相同效果。


意見 將示波器連接到電路輸出可能是有益的,因為可能存在來自本地源的高頻尖峰,這導致誤導結果。 在我的無線電小屋中已經觀察到這種尖峰,并且已經證明是由于該設備靠近許多其他設備,例如看起來異常“嘈雜”的便宜的熒光燈單元,以及舊的PC監視器。沒有努力過濾輸出,因為這樣做會降低設備的靈敏度,但它確實意味著如果要獲得任何有意義的信息,應采取預防措施來消除或減少已知的噪聲源。 如果添加窗口比較器電路,則尖峰將是明顯的,因為兩個LED將點亮而沒有相應的儀表偏轉。

查看結果